My Cart $-.--
Shop by Category
Quick Order
0
Home Joint Treatment Beads & Trim Fry Reglet 1/2 in x 3/4 in x 10 ft Fry Reglet Clear Anodized Drywall Reveal Channel Screed

1/2 in x 3/4 in x 10 ft Fry Reglet Clear Anodized Drywall Reveal Channel Screed

PART FRYDCS-50-75-CA
Calculating price...
QUANTITY

About this item

Fry Reglet Reveal Channel Screed provides an attractive break when used horizontally in a straight or curved long run of drywall. Can be used vertically to add an attractive design element in straight or curved walls.

A wide range of reveal widths from 1/2” to 6” permits a broad choice of design effects. Available vented for use where soffit ventilation is required.

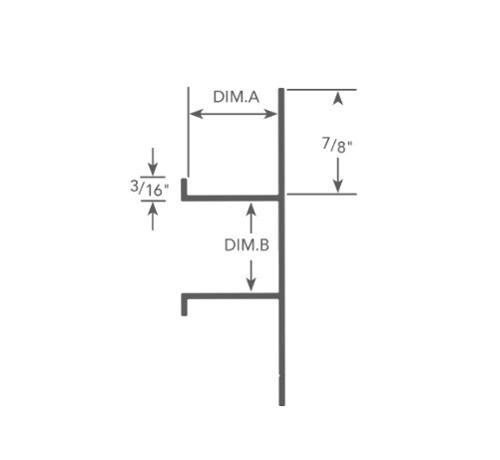
  • A = 1/2"
  • B = 3/4"

20 pcs/ctn

There are currently no resources for this product.

For California Residents:

WARNING: Cancer and Reproductive Harm - www.P65Warnings.ca.gov